15836190553
网站首页
公司简介
产品中心
新闻资讯
荣誉资质
在线咨询
技术知识
售后服务
联系我们
液压油过滤器
国标过滤器
德国贺德克过滤器
订购热线
15836190553
在线咨询
联系我们
新乡市菲利特过滤设备有限公司
电话:15836190553
邮箱:wkm@feiliter.com
Q Q:2873243935
地址:新乡市红旗区金穗大道华中首座
当前位置:
网站首页
>
产品中心
>
液压油过滤器
>
国标过滤器
>
国标过滤器
名称:自封式磁性吸油过滤器
br>
分类:国标过滤器
咨询热线:
15836190553
联系我们
详细说明:
自封式磁性吸油过滤器
WITH CHECK VALVE MAGNETIC SUCTION FILTER SERIES
(一)、简介
该系列过滤器具有手动自封阀,在更换滤芯时,应关闭自封阀,使油箱中的油液不会流出,安装时过滤器应浸入油面以下,若自封阀没有完全打开,切勿起动泵,否则会引起泵的吸空现象。
该过滤器设有滤芯污染堵塞发讯器,当滤芯被污染物堵塞到出油口真空度为0.018MPa时发讯器便发出讯号,应及时更换或清洗滤芯,以免泵出现吸空等故障。
1、技术参数
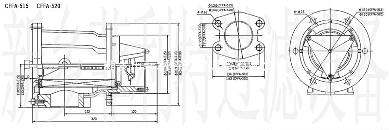
2、连接尺寸
(二)CFF系列自封式磁性吸油过滤器(传统型)
1、技术参数
2、连接尺寸
(三)ZL12-122自封式磁性吸油过滤器
1、技术参数
2、连接尺寸
3、滤芯压差流量曲线
4、安装示意图
上一篇:
ISV系列管路吸油过滤器
下一篇:
XNJ系列箱内吸油过滤器(新型)
相关推荐
滤袋
大流量滤芯
熔喷滤芯
线绕滤芯
折叠滤芯
菲利特沼气中水分用旋风式汽水分离器除去 FXQ-100汽水分离器
网站首页
公司简介
产品中心
新闻资讯
荣誉资质
在线咨询
技术知识
售后服务
联系我们
本站关键词:自封,式,磁性,吸油,过滤器,自封,式,磁性,吸油
Copyright © 2018-2019 新乡市菲利特过滤设备有限公司 版权所有 电话:15836190553
地址:新乡市红旗区金穗大道华中首座
豫ICP备17010852号-3
xml
在线客服
在线客服一
在线客服二
在线客服三
热线电话
微信公众账号