15836190553

国标过滤器

磁性回油过滤器系列(传统型)

名称:磁性回油过滤器系列(传统型)


分类:国标过滤器

咨询热线:15836190553

联系我们

详细说明:

磁性回油过滤器系列(传统型)

MAGNETIC RETURN FILTER SERIES

简介
磁性回油过滤器是我公司参考国外先进技术资料及广大用户的具体要求而特殊设计的新产品,这些过滤器仅一小部分的滤头连接部分露在油箱外,其余大部分都在油箱内部,从而简化了系统管路,安装方便,系统排列紧凑美观。在结构上我们改进了原来管路回油过滤器的庞大结构,考虑到液压系统内产生量多的还是铁磁性污染物,所以在回油精过滤前,先经强磁铁进行磁性过滤,然后再经二级精密过滤。
这种过滤器设有滤芯污染堵塞发讯器和油路旁通阀,当回油压力达到0.35MPa时,发讯器发出开关信号或报警,还可直接从发讯器的表盘上读出回油压力值,以提示操作人员及时更换滤芯,系统油液的清洁度。更换滤芯只需旋开过滤器端盖即可。当回油压力上升至0.4MPa时,过滤器内的旁通阀便自动卸荷,以避免回油压力上升至0.4MPa时,过滤器内的旁通阀便自动卸荷,以避免回油压力过高造成整个系统工作性能不良。

(一)、WY及GP系列磁性回油过滤器
1、型号说明

2、技术参数

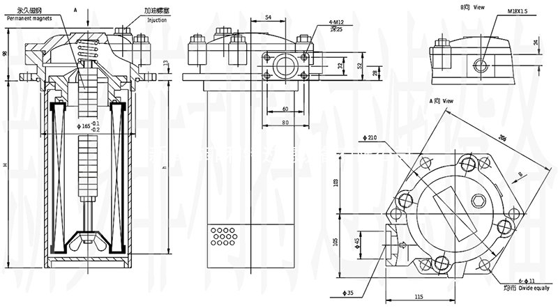
3、连接尺寸
      GP系列

WY系列

(二)、LXZS自封式磁性回油过滤器
1. 性能用途:
本过滤器除具有磁性回油过滤器性能与特点外,还可直接安装在油箱上部,侧边或底部, 因该过滤器设有自封阀,当更换、清洗滤芯或维修系统时,只要旋开过滤器端盖,自风阀就会自动关闭来隔绝油路,使油箱内油液不向外流,使清洗、更换滤芯或维修系统变的非常方便。
2. 技术参数:
a. 额定工作压力:1.6(MPa)
b. 原始压力损失ΔP:0.02(MPa)
c. 额定工作流量:160;400(L/min)
d. 过滤精度:10;20(μm)
e. 磁场强度:≥0.4(T)
f. 旁通阀开启压力:0.4(MPa)
g. 发讯器发讯压力:0.35(MPa)
h. 发讯器功率:50W;DC24(V)或orAC220(V)




本站关键词:磁性,回油,过滤器,系列,传统型,磁性,回油
Copyright © 2018-2019 新乡市菲利特过滤设备有限公司 版权所有 电话:15836190553 
地址:新乡市红旗区金穗大道华中首座  豫ICP备17010852号-3  xml
在线客服
热线电话

微信公众账号